[elektro] hungarocell vágó

Cser Tamas maguspr53 at gmail.com
Mon Sep 28 22:46:52 CEST 2015


Perjesi Istvan <istvan.perjesi at citromail.hu> írta, 2015. 09. 28.:
> nem barkács, hanem melóhoz kell,
>  ez az áldozat:
> https:// www.youtube.com/watch?v=b9LEkAFRkZM

a Neked szükséges Amperszámot bíró olcsó megoldás:

PEG116 ETA 3404 porszívó alkatrész
Fordulatszám szabályzó elektronika
Ár: 3490 Ft
http://www.betrolkft.hu/haztartasi-gep-alkatresz/kesztermekek/porszivo-takaritogep-alkatresz/kesztermekek/egyeb/kesztermekek/eta/peg-eta-porszivo-alkatresz-fordulatszam-szabalyzo-elektronika.html

-------------------

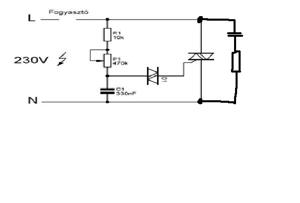
http://www.hobbielektronika.hu/forum/getfile.php?id=113100
kukába kidobott porszívó tirisztoros fordulatszámszabályozó

------------------


> - Eredeti üzenet --
> Feladó: Cser Tamas  &lt;maguspr53 at gmail.com&gt;Címzett:
> &lt;elektro at tesla.hu&gt;Elküldve: 2015. szeptember 28. 21:57Tárgy : Re:
> [elektro] hungarocell vágó
>
> Perjesi Istvan &lt;istvan.perjesi at citromail.hu&gt; írta, 2015. 09. 28.:
>
> &gt; igen, de a D1mm huzal jobb lenne, a tartása miatt, viszont az már
> ~800-1000W
>
> &gt; lenne a trafó:(
>
>
>
> ha "pénzkereseti" feladat ( sok órán keresztül ) akkor pl. torroid trafó,
>
>
>
> ha "barkács" feladat, előtétellenállással a 230VAC konnektorból
>
> ( 3A -nél a forgómorgó kb 30Ft/óra  )
>
>
>
> :-) nekem egy  ehhez hasonló lett ( "8 fokozatú"  1A - 9A közötti )
>
> http://img.jofogas.hu/images/Elado_egy_2_vaslapos_villany_rezso_48287135775376.jpg
>
> "előtétellenállásként" használva "barkács feladatra"
>
>
>
> &gt; -- Eredeti üzenet --
>
> &gt; Feladó: Fekete Róbert  &lt;frobi at harden.hu&gt;Címzett:
>
> &gt; &lt;elektro at tesla.hu&gt;Elküldve: 2015. szeptember 28. 20:29Tárgy : Re:
>
> &gt; [elektro] hungarocell vágó
>
> &gt;
>
> &gt; stabil ha kerítesz egy trafót ~300W , és szépen olyanra tekered a
>
> &gt;
>
> &gt; szekundert amilyenre akarod
>
> &gt;
>
> &gt; sose ég le, ha csak nem zárlatba rakod, de arra meg sorba kötsz vele
> egy
>
> &gt;
>
> &gt; 6A kismegszakítót és már is mehet a jöhet
>
> &gt;
>
> &gt;
>
> &gt;
>
> &gt;
>
> &gt;
>
> &gt;
>
> &gt;
>
> &gt; 2015-09-28 20:15 keltezéssel, Perjesi Istvan írta:
>
> &gt;
>
> &gt; &gt; Sziasztok,
>
> &gt;
>
> &gt; &gt;
>
> &gt;
>
> &gt; &gt; 1,2m hosszú, D=0,45mm (10Ohm/m) ellenálláshuzal táplálására milyen
>
> &gt; lehetőség van?
>
> &gt;
>
> &gt; &gt; Mérésem szerint most 30V/3A szépen vágja max 48V kb5A már
> ízzíthatja,
>
> &gt; de ezt nem tudom kipróbálni. Ez lenne a cél, és ebből vissza
> szabályozni.
>
> &gt;
>
> &gt; &gt; Most egy 1,2m hosszú, D~1mm hegesztő huzalt, fűt egy megtákolt PC
> 12V
>
> &gt; tápot, de sűrűn kipurcan a táp, ezért kellene átalakítanom.
>
> &gt;
>
> &gt; &gt; Esetleg 5let?
>
> &gt;
>
> &gt; &gt; Még amire gondoltam 1,2m hosszú, D=1mm (2Ohm/m) ellenálláshuzal, a
> nagy
>
> &gt; áram (~20A) miatt meg egy kisebb hegesztőtrafó!?
>
> &gt;
>
> &gt; &gt; üdv. P.
>
> &gt;
>
> &gt; &gt;
>
> &gt;
>
> &gt; &gt;
>
> &gt;
>
> &gt; &gt; _________________________________________
>
> &gt;
>
> &gt; &gt;
>
> &gt;
>
> &gt; &gt; Citromail.hu levelezőrendszerből küldve
>
> &gt;
>
> &gt; &gt;
>
> &gt;
>
> &gt; &gt; Lépj be vagy regisztrálj
>
> &gt;
>
> &gt; &gt; -----------------------------------------
>
> &gt;
>
> &gt; &gt;            elektro[-flame|-etc]
>
> &gt;
>
> &gt; &gt;
>
> &gt;
>
> &gt;
>
> &gt;
>
> &gt; -----------------------------------------
>
> &gt;
>
> &gt;           elektro[-flame|-etc]
>
> &gt;
>
> &gt; _________________________________________
>
> &gt;
>
> &gt; Citromail.hu levelezőrendszerből küldve
>
> &gt;
>
> &gt; Lépj be vagy regisztrálj
>
> &gt; -----------------------------------------
>
> &gt;           elektro[-flame|-etc]
>
>
>
> -----------------------------------------
>
>           elektro[-flame|-etc]
>
> _________________________________________
>
> Citromail.hu levelezőrendszerből küldve
>
> Lépj be vagy regisztrálj
> -----------------------------------------
>           elektro[-flame|-etc]



More information about the Elektro mailing list