[elektro] Motor CDI gyújtás "megerősítése"

Cser Tamas maguspr53 at gmail.com
Fri Aug 15 13:38:38 CEST 2014


Szlifka Tibor <szlifka.tibor at gmail.com> írta, 2014. 08. 15.:
>> az a kondi ( így ránézésre szerintem ) hasonló funkciót tölt be, mint
>> a PC tápokon a 230VAC-ból csinált  2x165VDC puffer közepét
>> meg a 20kHz 160Voltos primer  trafó nulláját összekötő kondi
>
> ????

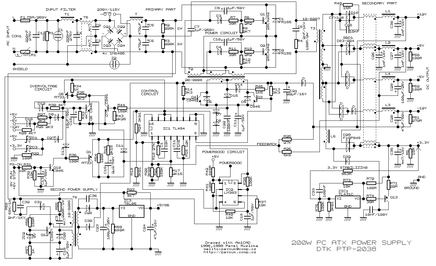
http://www.hobbielektronika.hu/forum/getfile.php?id=26473

ezen a rajzon a felső részén. közepénél van egy C7 jelzésű
1uF/250Voltos kerámia kondit láttam sok helyen
a T3 trafó primer oldaláig vezetve

>> olyan helyen ( pl. kondi kornyadás esetén ) érzékelhető javulást hozott
>> egy párhuzamos kondi
>
> Lehet 'fáradt' a kondi, de fenti hasonlat valahogy nagyon mellé ment,
> vagy én nem értettem. Gondolom tudod, hogyan működik a CDI gyújtás és
> miért van benne a nagyfesz 1uF kondi..  ezt tölti a gen. nagyfesz
> tekercs, gyújtásnál a tirisztor nyit, a kondi szépen kisül a
> gyújtótrafóra.. Nagyon jól írták, hogy ha ez a kondér túl nagy, mert
> laza csuklóval odaforrasztasz mellé még egy ugyanekkorát, akkor
> egyszerűen nem lesz ideje rendesen feltöltődni, és több kárt okoztál,
> mint hasznot, mivel nem lesz elég energiája a szikrának. Nagy
> fordulaton sem fog menni..
>
> --
> tibi
>
> -----------------------------------------
>           elektro[-flame|-etc]



More information about the Elektro mailing list