[elektro] fazishasogatas vs. toroid ?

Cser Tamas maguspr53 at gmail.com
Mon Nov 18 04:04:02 CET 2013


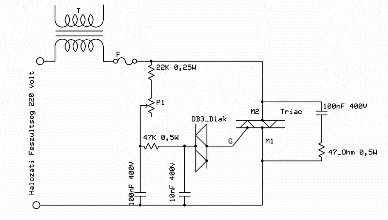
szabályozhato toroid (0 - 250V) hiányában kérdezném:

egy 220V 50Hz-es vasas trafo kb 130Voltra leszabályozva
mit  szól egy  fényerőszabályozó, trakos hasogatóhoz?
kb ilyenhez?
http://www.hobbielektronika.hu/forum/getfile.php?id=36981



More information about the Elektro mailing list